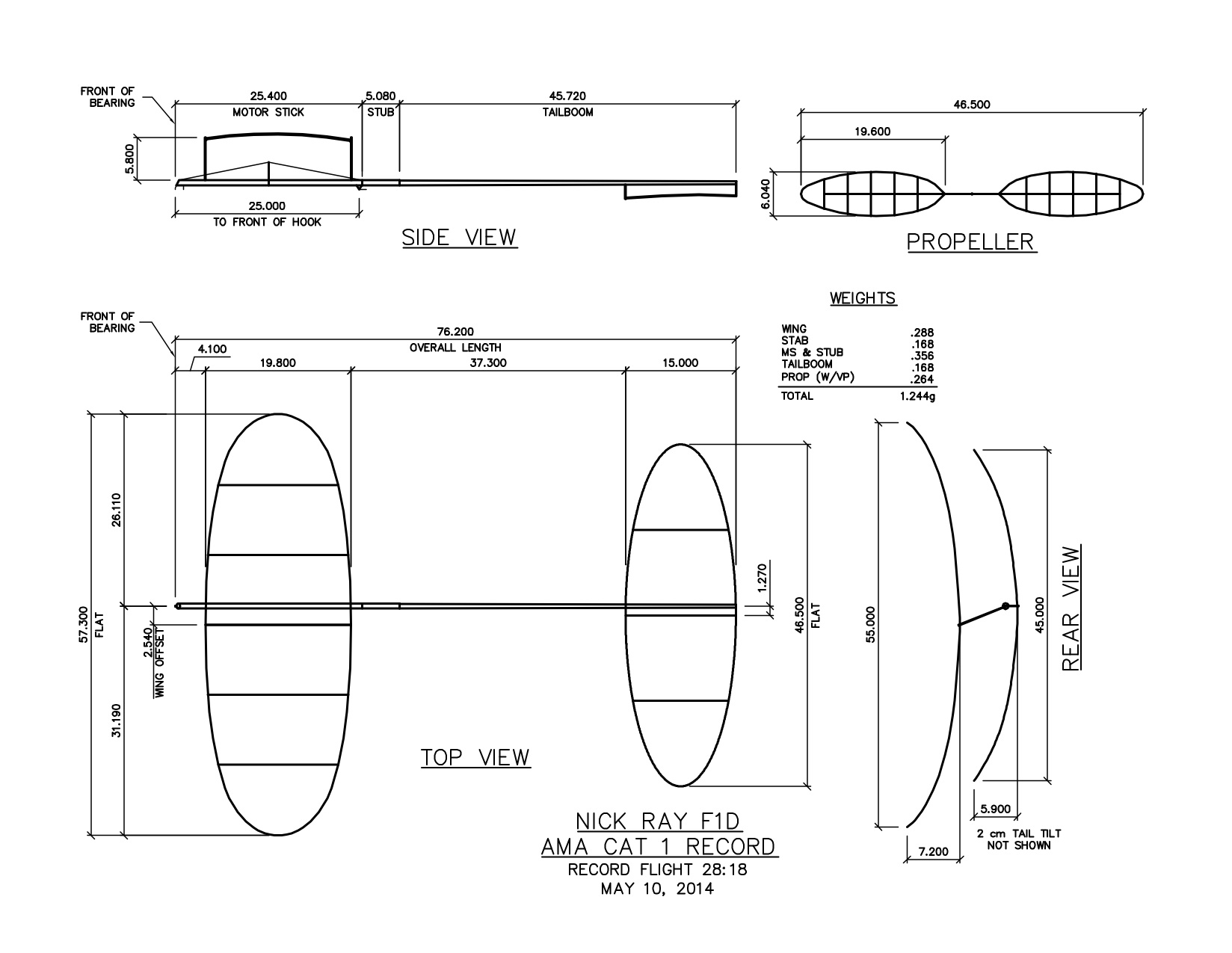
Nick Ray’s AMA Cat I Record F1D
Click here to download a PDF of the plan.
Click here to download a PDF of the materials list.
Notes on the Flight
The Cat I record flight was the product of my redeveloped F1D program, which began after the 2012 World Championships in Belgrade, Serbia. I incorporated Lutz Schramm’s work on drag reduction and Ivan Treger’s work on VP design. I chose to design the tail using the guidelines Martin Simon suggests in his book, Model Aircraft Aerodynamics. Mainly, when using a lifting tail, one should design it with all of the considerations due a wing. Although, visually, the model may appear to need a rudder, there is enough dihedral in the tail to facilitate a tight left turn.
Mark Bennett’s 2008 record notes also proved invaluable when trimming the model. I use a spring with 3.5 turns of 0.008″ music wire on a 0.039″ / 1 mm mandrel. This spring allowed me to keep the model off the ceiling for the majority of the flight. Generally, the model reached the ceiling around 4 minutes and continued to climb until approximately six minutes. The model then gradually descended to approximately 12 feet from the floor until 14 minutes, when the model began its second climb. The model climbed back to the ceiling, reaching ceiling height at approximately 17 minutes. The model began its final descent approximately 24 minutes into the flight.
This flight profile would not have been possible without outstanding rubber. I have tried several batches, but only May 99 has been able to deliver a strong second climb. The record flight was made on the third wind of a 9” loop of May 99. I was able to wind to 0.55 in-oz with 1650 turns, and back off to 1625 turns at 0.4 in-oz. I landed with 325 turns. The flight averaged 45.9 RPMs with a minimum of 34 RPMs before the propeller started to change, and a maximum of 53 RPMs during the final climb.
The day of the record flight was very humid and had a high of 75° F. I think warmer, drier weather may lead to slightly improved times. Furthermore, a stiffer spring may allow for the model to stay at the ceiling for the entirety of the flight, rather than wasting energy on multiple climbs. Another direction to explore would be sparless propellers. I have not had much luck with shorter motors, so for the time being I may be stuck with landing with several hundred turns.
l would like to thank Bill Gowen for drafting the plan for the model. He did a superb job rendering the complex curves.
~Nick Ray
Mike Kirda generously made CAD drawings of my rib templates.
Click here to download a PDF of the templates.






Excellent flying Nick.
Great to hear, Nick.
Would you mind sharing the airfoils used on the wing/stab/prop?
Regards.
Mike Kirda
Hi Mike,
The airfoils are very conventional. In fact these ribs were cut on templates have been using since 2005. The prop ribs were made on the wing rib template from the IMS Three Ministicks kit. It is basically a 5% arch with highpoint shifted forward to about 60% of the total length. The wing and stab template is a 22cm 4.25% arch with ribs trimmed at the trailing edge so as to shift the highpoint forward slightly.
The ribs are pretty close to what is actually shown in the drawing with. The second picture will give you a better idea of overall shape.
Regards,
Nick
There were two errors on the original materials list when the article was first published. The launch torque should have read 0.4 in-oz not 4.0 in-oz and the carbon tow used is 0.08mm not 0.8mm. I apologize for any confusion these errors may have caused.