Statuses

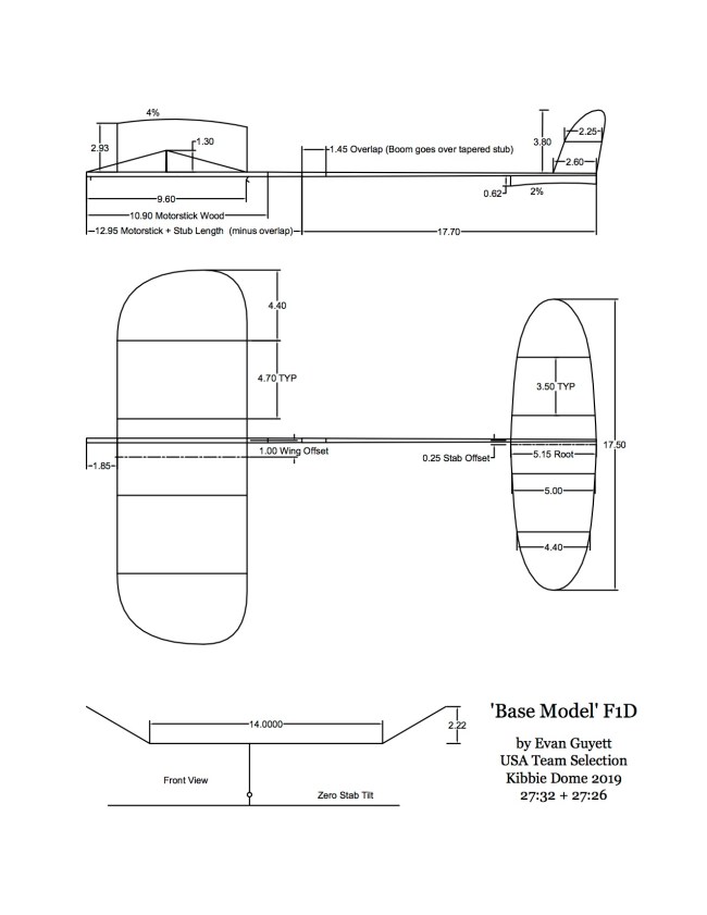
Evan Guyett’s 2019 US Team Selection Model

In Uncategorized on July 16, 2019 by nicholasandrewray

Evan Guyett’s 2019 US Team Selection Model

F1DOrange2019TeamSelection-Model copy 2F1DOrange2019TeamSelection copy

Click here to download a PDF of the plan.

One Response to “Evan Guyett’s 2019 US Team Selection Model”

  1. Evan Guyett's avatar

    I just realized I forgot to include my ballast weight in the all up weight. For some reason, when I was measuring weight back in Mojave after the contest, I was 36mg short, but I realized that was 36mg of ballast on my airplane. There was 20mg on the rear wing post, and 15mg on the rear stab post.

Leave a comment